Telephone:
(+86)181 6570 2837
Home
About us
Products
Application
News
Contact us
PRODUCTS
Home
>>
Products
>>
Miniature Current Transformer
>>
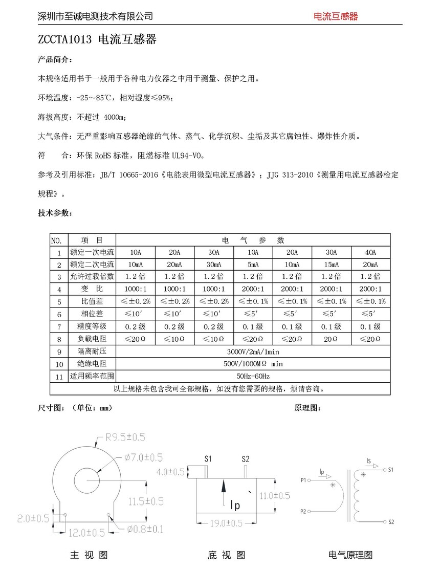
ZCCTA1013
Product Detail
ZCCTA1013
Collect
Product Description
Related Products
ZCCT-44-2
ZCCT-45-1
ZCCT-46-1
ZCCTA1003
ZCCTA1004
ZCCTA1005
ZCCTA1012
ZCCTA1017
ZCCTA1028
ZCCTB1126
ABOUT US
More
Corporate Introduction
Vision and Goals
Production equipment
PRODUCTS
More
Miniature Current Transformer
Open close type transformer
Hall Current Sensor
4-20mA current transmitter
Modbus communication RS485 AC current transformer
Multi channel AC current transmission detection module
Telephone:
:
(+86)181 6570 2837
E-mail:sales@zhichenel.com
Address:Factory Building 3 of Daxiangkou Economic Cooperative in Lianxing Community, Daxiangkou Village, Xiaoxiang Town, Gaoyao District, Zhaoqing City
Scan and follow us
Telephone
(+86)18165702837
Scan and follow us
×
账号登录
登录
忘记密码
立即注册
更多登录方式